Trên thị trường hiện nay máy nén khí có dầu được sử dụng vô cùng phổ biến bởi những ưu điểm về công dụng mà thiết bị này đem lại. Tuy nhiên cũng có nhiều người chưa biết rõ về chức năng, công dụng của máy nén khí có dầu đem lại. Hãy cùng Máy nén khí 579 tìm hiểu thông tin xoay quanh sản phẩm này thông qua bài viết dưới đây ngay nhé.
Khái niệm về máy nén khí có dầu
Máy nén khí có dầu được hiểu là thiết bị có chức năng nén khí lại giúp cho áp suất và nhiệt độ của không khí tăng lên, cung cấp khí nén nhằm thực hiện các công việc khác nhau. Thiết bị này sẽ sử dụng dầu máy để làm mát và bôi trơn các chi tiết trong quá trình làm việc giúp máy được hoạt động trơn tru và hiệu quả hơn.
Phần khí nén được cung cấp có một lượng dầu nhỏ và được sử dụng cho các công việc không đòi hỏi chất lượng cao về khí nén như thông tắc cống, phun sơn.

Khái niệm về máy nén khí có dầu
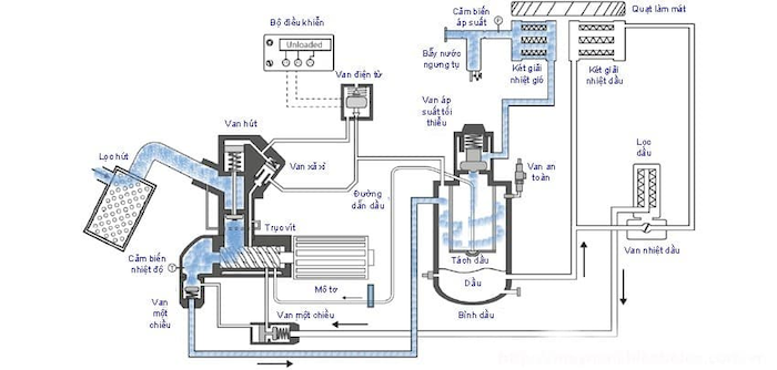
Cấu tạo của máy nén khí có dầu
Thông thường máy nén khí piston có dầu được sử dụng nhiều bởi thiết bị này có giá thành hợp lý và độ phổ biến cao hơn so với các dòng máy khác. Cấu tạo chính của máy nén khí có dầu như sau:
- Phần đầu nén khí: Bao gồm nhiều bộ phận khác nhau như bộ lọc khí, ống dẫn khí ra, piston
- Xi lanh thực hiện nhiệm vụ hút và nén khí nhằm làm tăng nhiệt độ và áp suất khí trước khi đưa khí nén về bình dự trữ.
- Dây curoa phục vụ quá trình truyền động cơ của mô tơ và đầu nén.
- Bình chứa: Nơi dự trữ nguồn khí nén
- Mô tơ điện có nhiệm vụ chuyển hóa điện năng thành cơ năng
- Đồng hồ đo áp suất: Bộ phận biểu thị áp suất của máy trong suốt quá trình làm việc
- Lọc gió có nhiệm vụ loại bỏ bụi bẩn có trong không khí trước khi đưa vào máy.
- Các loại van: van an toàn, van xả nước, van một chiều.

Cấu tạo máy nén khí có dầu
Nguyên lý hoạt động của máy nén khí có dầu
Piston trong xi lanh của máy di chuyển xuống sẽ thực hiện quá trình hút không khí bên ngoài vào bên trong đầu nén. Khi piston di chuyển lên sẽ khiến thể tích trong xi lanh bị thu hẹp lại khiến áp lực khí tăng đến mức nhất định. Khi đã đạt đến mức cực đại thì van xả sẽ mở giúp khí nén thoát ra ngoài và đưa xuống bình tích trữ để sẵn sàng cung cấp cho các thiết bị khác sử dụng.
Điểm khác nhau giữa máy nén khí có dầu và máy nén khí không dầu
Dưới đây chúng tôi đã giúp bạn tổng hợp bảng so sánh về đặc điểm, chức năng cùng thông số của máy nén khí có dầu và không dầu giúp bạn tham khảo:
|
Máy nén khí có dầu |
Máy nén khí không dầu |
|
|
Cấu tạo sản phẩm |
Cấu tạo của sản phẩm đơn giản |
Cấu tạo có phần phức tạp hơn với nhiều link kiện đi kèm |
|
Chất lượng của khí nén |
Bên trong khí nén chứa một lượng dầu nhỏ |
Khí nén đảm bảo sạch 100% không chứa dầu, an toàn cho sức khỏe con người |
|
Độ bền sản phẩm |
Sản phẩm có thời gian hoạt động ổn định và độ bền cao |
Tuổi thọ thấp hơn máy nén khí có dầu do không sử dụng dầu bôi trơn |
|
Độ ồn của máy |
Có độ ồn lớn hơn máy nén khí không dầu |
Máy hoạt động êm ái, không gây ra tiếng ồn phù hợp với môi trường làm việc yên tĩnh |
|
Giá thành sản phẩm |
Giá thành thấp hơn |
Chi phí cao |
Nên mua máy nén khí có dầu hay không dầu?
Nhìn chung hai sản phẩm này đều được lựa chọn để cung cấp khí nén cho hệ thống thiết bị, máy móc. Tuy nhiên đối với từng yêu cầu khác nhau về mục đích sử dụng mà người dùng có thể chọn mua các dòng máy nén khí khác nhau để đem đến hiệu quả tốt nhất cho công việc.
Hiện nay Máy nén khí 579 là một trong những đơn vị cung cấp các model máy nén khí với nhiều thương hiệu như Hitachi, Kobelco, Airman với thiết kế đa dạng cùng mức giá thành phải chăng. Ngoài ra, Máy nén khí 579 còn sở hữu đội ngũ nhân viên tư vấn chuyên nghiệp, nhiệt tình cùng chính sách bảo hành lâu dài, minh bạch.

Máy nén khí 579 - Đơn vị cung cấp sản phẩm máy nén khí chất lượng trên thị trường
Bài viết trên đây đã cung cấp đến bạn đọc thông tin chi tiết về máy nén khí có dầu. Nếu bạn có nhu cầu mua hàng, hãy liên hệ đến Máy nén khí 579 để được hỗ trợ nhanh chóng nhất!